Series 390

390.05.075.0 product image
igus-icon-lupe
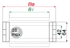
ความสูงภายใน [Hi]
ความสูงภายใน [Hi]
42 mm
เส้นผ่านศูนย์กลางของสายเคเบิลสูงสุด
เส้นผ่านศูนย์กลางของสายเคเบิลสูงสุด
38 mm
หลักการเปิด
หลักการเปิด
สามารถเปิดได้ทั้งสองด้าน
ความกว้างด้านใน [Bi]
ความกว้างด้านใน [Bi]
50 mm
รัศมีการโค้งงอ [R]
รัศมีการโค้งงอ [R]
75 mm

Consulting

I would be happy to answer your questions in person

Denis Yap
Denis Yap

igus-icon-phone+65 9834 4953

Consultation and delivery

In person:
Monday - Friday: 7 am - 8 pm
Saturday: 8 am - 12 pm
Online:
Chat service
วันจันทร์ - วันพฤหัสบดี: 08.00 - 18.00 น.
วันศุกร์: 08.00 - 17.00 น.
วันเสาร์: 08.00 - 12.00 น.
WhatsApp service
Monday to Friday: 8am to 4pm