Series 20 Classic

Discontinued Model
20.1.055.0 product image
igus-icon-lupe
20.1.055.0 technical drawing
igus-icon-lupe
1 of 2
20.1.055.0 product image
20.1.055.0 technical drawing
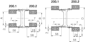
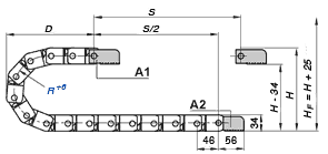
ความสูงภายใน [Hi]
ความสูงภายใน [Hi]
25 mm
เส้นผ่านศูนย์กลางของสายเคเบิลสูงสุด
เส้นผ่านศูนย์กลางของสายเคเบิลสูงสุด
23 mm
หลักการเปิด
หลักการเปิด
ปิด
ความกว้างด้านใน [Bi]
ความกว้างด้านใน [Bi]
12 mm
รัศมีการโค้งงอ [R]
รัศมีการโค้งงอ [R]
55 mm

Consulting

I would be happy to answer your questions in person

Denis Yap
Denis Yap

igus-icon-phone+65 9834 4953

Consultation and delivery

In person:
Monday - Friday: 7 am - 8 pm
Saturday: 8 am - 12 pm
Online:
Chat service
วันจันทร์ - วันพฤหัสบดี: 08.00 - 18.00 น.
วันศุกร์: 08.00 - 17.00 น.
วันเสาร์: 08.00 - 12.00 น.
WhatsApp service
Monday to Friday: 8am to 4pm